구 에머슨 Unidrive SP의 대용량 모델인 Unidrive SPM Control Module 소개입니다.

SPM 드라이브는 400V 입력 기준으로 중부하 90kW~650kW 용량으로 구성됩니다.
먼저 SPMC, SPMU, SPMA, SPMD와 모델명을 알아보겠습니다.

SPM은 크게 정류기라 부르는 Rectifier와 인버터라 부르는 Drive로 나누어집니다.
1) 정류기는 AC 전원을 DC로 변환하는 역할을 합니다.
제어 기능이 있는 모델을 SPMC라고 하며, 제어 기능이 없는 모델을 SPMU라고 합니다.
2) 인버터는 콘덴서에 저장된 DC 전압을 스위칭 회로(PWM)를 거쳐 모터에 동력을 전달하며 제어합니다.
SPMD 모델이 그 역할을 합니다.
또 다른 인버터 모델인 SPMA는 AC 입력을 받을 수 있는 드라이브입니다.
SPMA는 흔히 우리가 알고 있는 일반적인 인버터 AC-DC-AC 기능을 합니다.


인버터 드라이브 SPMD 또는 SPMA를 사용하기 위해서는 반드시 하나의 SM-Control Master가 필요합니다.


큰 용량이 필요해서 인버터 파워 모듈을 다수로 사용할 경우에는 수량에 맞게 SM-Control Slave를 사용해야합니다.


SM-Control Master는 메인 Controller 역할을 하며 피드백, 프로그램, 통신 옵션 등을 장착할 수 있습니다.
SM-Control Slave는 메인 Controller와의 연동을 위해 페어링 케이블이 동봉되어 있습니다.

SPMD 또는 SPMA 파워 모듈에 SM-Control Master와 SM-Control Slave를 장착한 후 페어링 케이블을 위의 그림과 같이 장착합니다.
SM-Control Master와 SM-Control Slave를 사용해서 구성하는 시스템은 크게 4가지로 구분할 수 있습니다.
아래의 4가지 사용 예제를 참고하시기 바랍니다.
1) SPMA 드라이브로 구성된 시스템

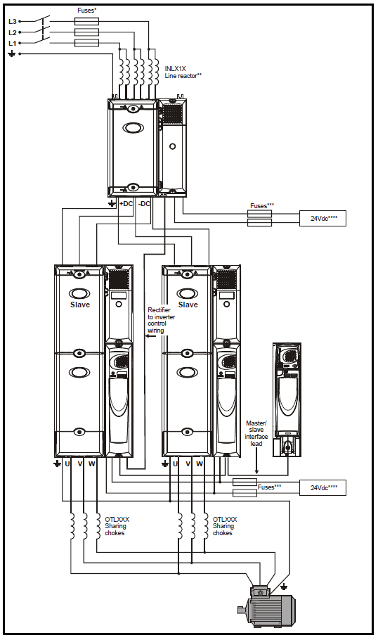
2) 두대의 SPMC와 두대의 SPMD

3) 하나의 SPMC와 두대의 SPMD

4) SPMD에 장착되지 않은 SM-Control Master

위의 4가지 경우와 같이 SM-Control Master와 SM-Control Slave를 사용할 수 있습니다.
댓글